strap while handling the unit.
Ensure you have read and understood the location requirements in section 3.1.1. Mount the
NextMove ESB-2 using the supplied M4 screws. For effective cooling, the NextMove ESB-2
must be mounted on a smooth non-flammable vertical surface. Orientation must be as
shown in Figure 1, with the two slots in the metal carrier / heat sink assembly at the bottom.

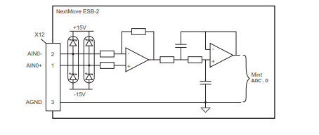
4.2 Analog I/O The NextMove ESB-2 provides:
 Two 12-bit resolution analog inputs.
 Four 12-bit resolution analog outputs. 4.2.1 Analog inputs The analog inputs are available on connector X12, pins 1 & 2 (AIN0) and 4 & 5 (AIN1).  Differential inputs.
 Voltage range: ±10 V.
 Resolution: 12-bit with sign.
 Input impedance: 120 kΩ.
 Sampling frequency: 4 kHz maximum, 2 kHz if both inputs are enabled. The analog inputs pass through a differential buffer and second order low-pass filter with a cut-off frequency of approximately 1 kHz. Both inputs are normally sampled at 2 kHz. However, an input can be disabled by setting ADCMODE to 4 (_acOFF). With one input disabled, the remaining input will be sampled at 4 kHz. In Mint, analog inputs can be read using the ADC keyword. See the Mint help file for full details of ADC, ADCMODE and other related ADC... keywords.


4.2.2 Analog outputs
The four analog outputs are available on connector X13, as shown in section 4.1.1.
 Four independent bipolar analog outputs.
 Output range: ±10 V DC (±0.1%).
 Resolution: 12-bit.
 Output current: 2.5 mA maximum per output.
 Update frequency: 10 kHz maximum (adjustable using the LOOPTIME keyword, factory default 1 kHz).
Mint and the Mint Motion Library use analog outputs Demand0 to Demand3 to control drive amplifiers. Demand outputs 0 to 3 are used by axes configured as servo (see section 5.4.1). A Demand output may be used as a general purpose analog output if it is not assigned to a servo axis - see the DAC keyword in the Mint help file. The analog outputs may be used to drive loads of 4 kΩ or greater. Shielded twisted pair cable should be used. The shield connection should be made at one end only

4.3 Digital I/O
The NextMove ESB-2 provides:
 20 general purpose digital inputs.
 12 general purpose digital outputs.
4.3.1 Digital inputs
Digital inputs are available on connectors X8, X9 and X10, as shown in section
4.1.1. The digital inputs are arranged in three groups, each with their own common
connection. This allows each group to be configured independently for ‘active high’
or ‘active low’ operation. The general purpose digital inputs DIN0 - DIN19 can be shared
between axes, and are programmable in Mint (using a range of keywords beginning with
the letters INPUT... ) to determine their active level and if they should be edge triggered. The
state of individual inputs can be read directly using the INX keyword. See the Mint help file.
A general purpose digital input can be assigned to a special purpose function such as a home,
limit, stop or error input. See the keywords HOMEINPUT, LIMITFORWARDINPUT, LIMITREVERSEINPUT,
 STOPINPUT and ERRORINPUT in the Mint help file.
4.3.1.1 DIN0 - DIN3
Digital inputs DIN0 to DIN3 can be assigned as fast interrupts. These are used as high speed position latches, allowing any combination of axes to be captured by the hardware. The latency between input triggering and capture is 1 μs. Special Mint keywords (beginning with the letters FAST...) allow specific functions to be performed as a result of fast position inputs becoming active. See the Mint help file for details. Digital inputs DIN0 to DIN3 use CREF0 as their common connection.

Note: The fast inputs are particularly sensitive to noise, so inputs must use shielded twisted pair cable. Do not connect mechanical switches, relay contacts or other sources liable to signal ‘bounce’ directly to the fast inputs. This could cause unwanted multiple triggering.
4.3.1.2 DIN4 - DIN11 Digital inputs DIN4 to DIN11 have a common specification:
 Opto-isolated digital inputs.
 Sampling frequency: 1 kHz. Digital inputs DIN4 to DIN11 use CREF1 as their common connection.

If an input is configured as edge triggered, the triggering pulse must have a duration of at least 1 ms (one software scan) to guarantee acceptance by Mint. The use of shielded cable for inputs is recommended.
4.3.1.3 DIN12 - DIN19.
Digital inputs DIN12 to DIN19 have the same elec
DIN17-DIN19 may also be used as an auxiliary encoder input. DIN17 accepts step (pulse) signals and DIN18 accepts direction signals, allowing an external source to provide the reference for the speed and direction of an axis. The step frequency (15 kHz maximum) determines the speed, and the direction input determines the direction of motion. Both the rising and falling edges of the signal on DIN17 cause an internal counter to be changed; see Figure 11. If 5 V is applied to DIN18 (or it is left unconnected) the counter will increment. If DIN18 is grounded the counter will be decremented. A minimum period of 500 µs is required between transitions on the direction and step input to guarantee the change of direction has been recognized. Typically, one channel of an encoder signal (either A or B) is used to provide the step signal on DIN17, allowing the input to be used as an auxiliary (master) encoder input. The input can be used as a master position reference for cam, fly and follow move types. For this, the MASTERSOURCE keyword must be used to configure the step input as a master (auxiliary) encoder input. The master position reference can then be read with the AUXENCODER keyword (using 0 as the channel parameter). Since a secondary encoder channel is not used, DIN18 allows the direction of motion to be determined. The Z signal on DIN19 can be supplied from the encoder's index signal, and may be read using the AUXENCODERZLATCH keyword. See the Mint help file for details of each AUXENCODER... keyword.