NOTES ON THIS MANUAL
The information included in this manual is valid at the
release date of this manual. See footer for version number
and release date of this manual.
RESERVATION OF CHANGES AND VALIDITY
Subject to changes without prior notice.
Moog does not offer any guarantee that the contents conform to applicable legal regulations, nor does Moog accept
any liability for incorrect or incomplete information and
the consequences thereof.
EXCLUSION OF LIABILITY
This manual was prepared with great care and the contents
reflect the authors’ best knowledge. However, the possibility
of error remains and improvements are possible.
Please feel free to submit any comments regarding errors
or incomplete information to Moog.
TRADEMARKS
Moog and Moog Authentic Repair are registered trademarks
of Moog Inc. and its subsidiaries.
All product designations mentioned in this manual are
trademarks of the respective manufacturers.
The absence of the trademark symbols ® or ™ does not
indicate that the name is free from trademark protection.
DIN EN ISO 9001
Our quality standard is according to DIN EN ISO 9001.
All Rights Reserved.
No part of this manual may be reproduced in any form
(print, photocopies, microfilm, or by any other means) or
edited, duplicated, or distributed with electronic systems
without prior written consent from Moog.
Offenders will be held liable for the payment of damages.
COPYRIGHT
© 2003 Moog GmbH
Hanns-Klemm-Straße 28
71034 Böblingen (Germany)
Telefon: +49 7031 622-0
Telefax: +49 7031 622-100
E-Mail: info@moog.de
M3000-Support@Moog.de
Internet: http://www.moog.de
http://www.moog.com/M3000
This M3000® module is commercialized by Moog and Berghof
Automationstechnik together.
The main part of this manual was created by Berghof Automationstechnik GmbH and was inserted unchanged.
Therefore, it is possible that some terms in this manual
do not correspond to the terms used in the other M3000®
manuals
General Instructions
1.1. Hazard Categories and Indications
The indications described below are used in connection with safety instructions you
will need to observe for your own personal safety and the avoidance of damage to
property.
These instructions are emphasised by bordering and/or shading and a bold-printed
indication, their meaning being as follows:
DANGER ! means that death, severe physical injury or substantial damage to property
will occur on failure to take the appropriate precautions.
Warning ! means that death, severe physical injury or substantial damage to property
may occur on failure to take the appropriate precautions.
Caution means that minor physical injury or damage to property may occur on failure to
take the appropriate precautions.
Note:
provides important information on the product or refers to a section of the documentation which is to be particularly noted.
1.2. Qualified users
Qualified users within the meaning of the safety instructions in this documentation
are trained specialists who are authorised to commission, earth and mark equipment, systems and circuits in accordance with safety engineering standards and
who as project planners and designers are familiar with the safety concepts of
automation engineering.
Use as Prescribed
This is a modular automation system based on the CANbus, intended for industrial
control applications within the medium to high performance range.
The automation system is designed for use within Overvoltage Category I
(IEC 364-4-443) for the controlling and regulating of machinery and industrial
processes in low-voltage installations in which the rated supply voltage does not
exceed 1,000 VAC (50/60 Hz) or 1,500 VDC.
Qualified project planning and design, proper transport, storage, installation, use
and careful maintenance are essential to the flawless and safe operation of the
automation system.
The automation system may only be used within the scope of the data and applications specified in the present documentation and associated user manuals.
The automation system is to be used only as follows:
as prescribed,
in technically flawless condition,
without arbitrary or unauthorised changes and
exclusively by qualified users
The regulations of the German professional and trade associations, the German
technical supervisory board (TÜV), the VDE (Association of German electricians)
or other corresponding national bodies are to be observed.
Safety-oriented (fail-safe) systems
Particular measures are required in connection with the use of SPC in safetyoriented systems. If an SPC is to be used in a safety-oriented system, the user
ought to seek the full advice of the SPC manufacturer in addition to observing any
standards or guidelines on safety installations which may be available.
Warning ! As with any electronic control system, the failure of particular components may
result in uncontrolled and/or unpredictable operation. All types of failure and the
associated fuse systems are to be taken into account at system level.
The advice of the SPC manufacturer should be sought if necessary
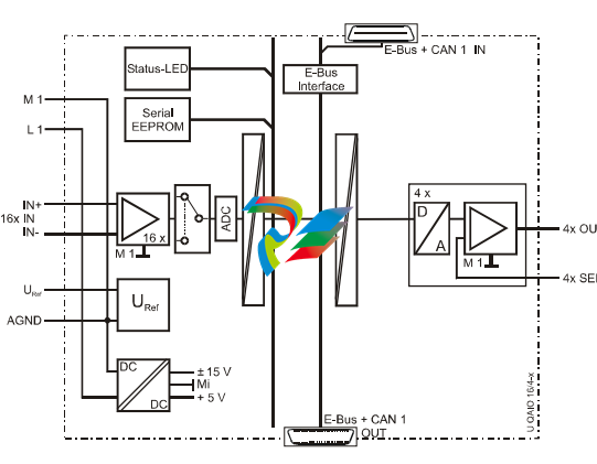
Analog I/O expansion module
2.1. Overview
Order number For replacement parts, the order/item no. can be found on the module’s nameplate.
Function The module is used to expand the analog I/O level of Cell Controllers.
The modules are connected by direct E-bus coupling and is available with voltage
or current inputs.
Features
Common characteristics
4 analog output channels
in the form of voltage outputs, +/-10 V (GND sensing)
resolution 11 bit + sign
1 reference voltage output +10 V
Low space requirements and low mounting depth.
The modules with voltage or current inputs also have the following features:
Module with voltage inputs:
16 analog voltage input channels,
suitable for connecting active and passive resistors.
voltage rating, differential +/-10 V
measured value resolution 11 bit + sign
Module with current inputs:
16 analog current input channels,
current rating, 0... 20 mA
measured value resolution 11 bit + sign
Lieferumfang Supplied with the module package is:
An analog I/O expansion module with voltage or current inputs.

Shielding and measurement cabling
Reliable operation of higher-precision analog components with fast conversion
times can only be achieved in an industrial environment with the help of corresponding shielding measures and the correct metrological cabling. The user must,
in this regard, observe the interaction of all the analog components and their auxiliary power supplies throughout the entire system.
Mounting the module The module must always be mounted in shielding (metal) switch cabinets/casings.
Adequate isolation of interfering components and their cabling must be ensured
within the casing by means of appropriate constructive measures (e.g. separate
wiring, spatial separation of components).
Low-frequency
interference voltages Low-frequency interference voltages, such as the omnipresent 50 Hz network
crosstalk, are cancelled out by the module’s differential measuring system in conjunction with high common-mode rejection.
High-frequency
interference voltages High-frequency and pulse interferences have to be kept away from the signal lines
by means of suitable shielding measures.
For this purpose, the line shields in the field (outside the casing) must be connected
on both sides. The best results are always achieved when the cable shields are laid
flat at the points where they enter the casing.
Note:
Experience shows that the environmental conditions within systems and equipment can change sporadically and unexpectedly.
Even if seemingly good results can be attained in a number of cases using open
wiring, we advise strongly against it.
Failure to implement the measures referred to can result in lengthy error diagnostic processes and high consequential costs.
Users that implement the recommendations set out in this manual in a consistent
manner will not encounter problems regarding current EMC directives.
CE mark When designing the module, we attached great importance to its electromagnetic
compatibility. Nonetheless, a considerable proportion of the action that must be
taken in order to ensure reliable operation are outside our sphere of influence.
For this reason, we have opted not to affix the CE mark to this automation component. In this regard we would like to draw users’ attention to their overall responsibility when incorporating the module into their applications.
Operation of the module
Warning ! Do not insert, apply, detach or touch connections when in operation!
Destruction or malfunctioning may otherwise occur. Disconnect all incoming supplies before working on modules, including those of connected peripherals such as
externally supplied sensors, programming devices, etc.
The module is designed for measuring and control functions located on a common
potential island.
Items of equipment on differing potential levels can be connected via suitable isolation devices (insulating amplifier etc.).
Note:
The module electronics power supply (connection voltage +24VDC) is not electrically isolated from the analog connections on the module. The negative connection point for the incoming supply (M1) is physically connected to the analog earth
connection (AGND).
We recommend that all sensors/actuators be operated on this supply together with
the module.
Consciously arranging analog wiring with a common earth is good practice.
The module is designed to cope reliably and effectively with the small differences
of potential unavoidably occurring when sensors and actuators are supplied jointly
through appropriate SENSE lines.
Caution The module’s analog channels may be connected to different earths only within
the permissible common mode range.
More extensive electrical isolation is not permissible for design reasons.
Non-compliance with the above will cause incorrect measurements, even on uninvolved channels, and can result in transient currents which will cause permanent
damage to the module.
2.7.1. Fault currents
A large number of the conceivable incorrect assignments of analog connections can
be resolved by means of circuit organisation.
Nonetheless, it is not economically possible with the components available today to
guarantee absolute protection against all fault currents that can be implanted from
outside.
Caution Faulty wiring, incorrect power supply or high potential differences in the measuring
circuits can cause serious damage to the module or permanently impair measuring accuracy.
2.7.2. Commissioning
All connections should be re-checked for correct wiring and polarity the supply
voltage is applied.
The handling of the module depends on the software environment used. For this
reason, you should consult the information in the programming manuals for the
CP1131 or CPC++, as appropriate.
2.7.3. Initialisation and module identification
The analog expansion module is identified and initialised by the operating system of
the upstream Cell Controllers. The identification characteristics stored in the module
are evaluated by the Cell Controller for this purpose.
No dip switch settings are required. In the case of failure of the +24 V power supply
or interruption of the E bus transmission, the analog outputs are reset to 0 V
(LED “OUT_ENA”).
2.7.4. Measuring
The measurements and transfer of the data from the module to the CAN node are
carried out in a cyclic manner, controlled via the API (Application Process Interface)
in the operating system. No start signals have to be output for AD conversion.
Execution of the measuring process depends on the software environment used.
For this reason, you should consult the relevant information contained in the programming manuals for CP1131 or CPC++.
Note::
The following formula applies for converting the measured data into voltage
values:
AD AD U = 10 V 215 I = 20 mA 215
Comment: AD = the value supplied by the analog channel (in_value)
When leaving the permissible measuring range, the following values are reported:
Exceeding the permissible measuring range (+) + 32752 + 9,995 V
Falling short of the permissible measuring range (-) - 32768 - 10,000 V
Representation of the 11-bit measured value with sign in a 16-bit variable:

Sensor failure
In the case of sensor failure, the corresponding channel reports the value for
+9.995 V to the cell controller.
2.7.6. Connection of sensors/actuators

Sensor connection, examples
Note:
The measuring line shield can, where required, be
connected to SHIELD.
Where better HF contact of the shields is possible
at another point in the casing, there should be no
additional connection to SHIELD on the module.
2VF100069DG00.cdr
Floating sensors
Connection via 2-pole, shielded cable (IN+/AGND). In the case
of floating sensors, at least one of the measuring inputs (IN -)
must be bridged to AGND
The cancellation of electrical isolation brought about by the bridge is absolutely
necessary as capacitive signal couplings with impermissibly high common mode
voltages are already built up because of the very high impedance inputs. This
leads to sporadic incorrect measurements which are difficult to detect in most
cases.
2VF100066DG00.cdr
Potential-afflicted sensors with auxiliary power connection
Connection via 2-pole, shielded cable (IN+/IN-). Sensors with
auxiliary power supply but without electrical isolation should be
operated from the same power supply source as the module.
The sensor is connected to the two measuring inputs IN+ and
IN- in the required polarity. The AGND connection of the module
remains open.
It is to be ensured that the potential equalisation via the common supply and
sensors actually occurs.
2VF100067DG00.cdr
Sensor connection using internal module reference voltage
Connection via 3 or 4-pole shielded cable (IN+/IN-/URef/AGND).
Radiometric sensors (potentiometer, bridge circuits) are treated
as potential-afflicted sensors.
The auxiliary power is also carried in the measuring line.
If only one measuring input is needed, as in the case of the potentiometer connection, the free input must be bridged to AGND.
It must be ensured that the reference voltage is not overloaded and that the current taken from the reference source can flow back again via the AGND connections.